Вентиляторы высокого давления
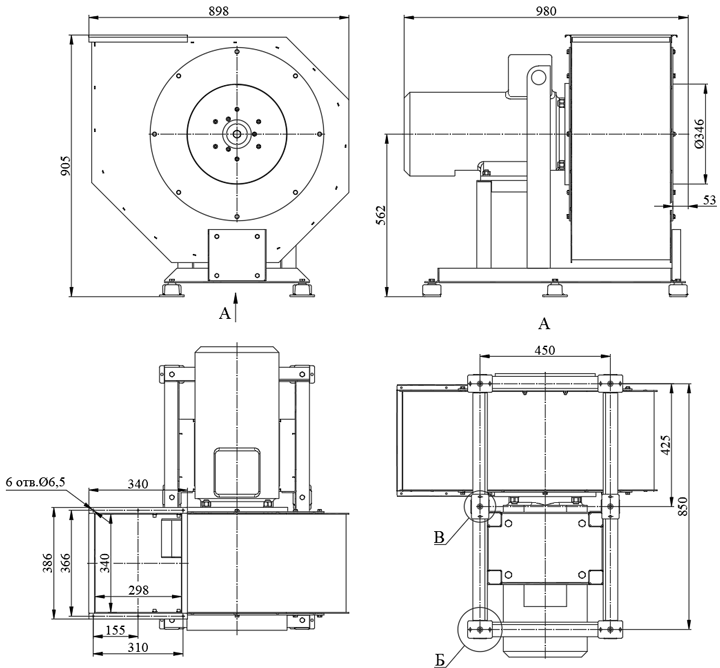
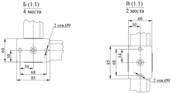
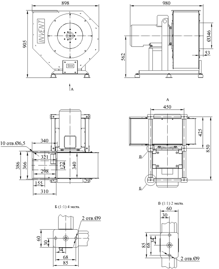
Габаритные, присоединительные и установочные размеры
РВВ-15
Радиальный вентилятор высокого давления
×
Заказ РВВ-15
Описание
Назначение
Промышленный радиальный вентилятор высокого давления РВВ-15 предназначен для эксплуатации в системах местной вытяжной вентиляции, приточной и вытяжной общеобменной вентиляции, кондиционирования и прочих производственных нужд.
Аэродинамическая схема обеспечивает высокий КПД при работе с устройствами местной вытяжной вентиляции.
Конструктивные особенности
- Спиральный корпус вентилятора выполнен сварным из листовой углеродистой стали и имеет порошковое полимерное покрытие.
- Стальное рабочее колесо посажено на вал электродвигателя, направление вращения — правое.
- Конструкция вентилятора позволяет устанавливать спиральный корпус под различными углами установки(от 0 до 315° с шагом 45°) нагнетательного отверстия вентилятора относительно исходного нулевого положения. Базовое положение корпуса вентилятора — нагнетательное отверстие вертикально вверх (Пр0°).
- Средний ресурс вентилятора до капитального ремонта не менее 20000 ч.
Аэродинамические характеристики

Технические характеристики
| РВВ-15 | |
|---|---|
| Масса, кг | 226 |
| Полное давление, Па | 3500–1100 |
| Производительность, м³/ч | 1000–16000 |
| Тип электродвигателя | АИР 160S2У3 |
| Мощность, кВт | 15 |
| Напряжение, В | 380 |
| Частота тока, Гц | 50 |
| Частота вращения, об/мин | 3000 |
| Типовой режим работы по ГОСТ IEC 60034-1-2014 | S1 |
Габариты
Габаритные, присоединительные и установочные размеры
вентилятора РВВ-15

